方形双色发光二极管
- 发布时间:2025-08-21 17:25
- 浏览次数:150
方形双色发光二极管

1、大家都知道有哪些方形双色发光二极管吗?还是只知道圆形的双色发光二极管。事实上,方形双色发光二极管也是一种常见的电子元件,广泛应用于指示灯、装饰、信号显示等领域。
2、方形发光二极管的规格型号,颜色。如灯珠厂家台宏2×3×4mm、2×5×7mm、2×5×5mm等,颜色包括红、绿、蓝、黄、白、紫等,部分产品支持双色(如红绿、红蓝)或RGB全彩。部分产品支持定制,如共阴、共阳、无极等连接方式。
3、方形双色发光二极管技术参数与性能。发光二极管的电气参数(如电压、电流、波长等)
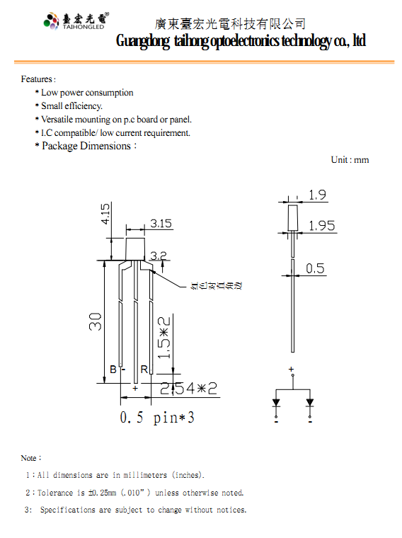
如台宏方形234红蓝双色共阳共阴透明。



257红蓝双色共阳发光二极管规格书。


4、总的来说,台宏光电方形双色发光二极管是一种常见的电子元件,具有多种尺寸、颜色和连接方式,广泛应用于电子设备、指示灯、装饰等领域。其市场供应丰富,技术支持和定制化服务较为完善。
为什么全球3000+企业选择台宏光电?
买灯珠,找台宏,专业让灯珠解决方案更简单!
✅ 高端LED灯珠定制专家 | 16年LED行业深耕 | 年产能超10亿颗。
✅ 全自动SMT生产线 | 进口芯片(晶元/三安)| 100%光电参数分选| 不良率<0.1%
✅ 72小时极速打样 | 7天批量交付 | 支持1000颗起订
✅ 灯珠价格比进口品牌低20%-30% | 免费技术方案支持
联系我们
企业QQ : 2881795059
客服微信:2881795059

Tag:方形双色发光二极管
- 上一篇:摄像头红外线灯珠参数表
- 下一篇:五色led灯珠
