0603灯珠_0603灯珠尺寸_0603贴片led参数,单色双色三色全彩规格书
- 发布时间:2019-08-10 08:20
- 浏览次数:174
今天,公司更新了0603系列灯珠的规格参数:
0603灯珠_0603灯珠尺寸_0603贴片led参数,单色、双色、三色,全彩规格书一起给你。

助你快速了解0603灯珠单色、侧发、双色、三色,全彩,贴片led灯珠0603,助你一站式快速0603LED灯珠选型。
0603灯珠应用极广,比如汽车仪表盘指示灯灯珠,你可能就会选贴片led灯珠0603。
为什么呢?
一是0603灯珠体积和尺寸小,二是0603灯珠型号和颜色比较多,易于我们的选择。
既然0603灯珠的应用那么广,那么,你知道0603灯珠尺寸吗?
我们先来看一看0603灯珠参数、型号和尺寸吧。
— 1 —
0603灯珠参数
0603灯珠参数:
1、0603灯珠尺寸:1.6mm*0.8mm*0.6mm;(0603灯珠厚度有三种要供选择0.4mm/0.6mm/0.8mm,选型时可咨询客服看哪款更适合你)
2、0603灯珠白光:色温:6000-9000K, 显色指数:70-80-90RA (高显指需订做),其它冷白色温或暖白色温均可根据客户需求定做;
3、0603灯珠应用:0603灯珠系列主要应用在汽车仪表、家用电器、电子消费、LED背光源、电子电器指示及应用、电脑、手机数码产品等。
4、0603灯珠特性:贴片led灯珠0603可靠性高,亮度一致性高、发光角度大,外观体积及尺寸小,灯珠经过严格的信赖性实验,市场已经大批量产使用,是目前市场上使用很广泛的一款微型LED灯珠。
5、单色0603灯珠包括:0603白光,0603红光,0603橙光,0603黄光,0603翠绿,0603黄绿,0603蓝光、0603双色灯珠、0603三色、全彩灯珠等。
6、0603灯珠常规包装:4000PCS每盘。
— 2—
0603灯珠型号
一、0603灯珠型号:(单色)
0603白光:暖白色温:2800-3200k ,正白光(冷白色温):6000-9000K-15000K以上。(其它参数见下表)。
0603红光:常规波长:620-630nm, 电压:1.9-2.2V, 功率0.06w, 电流:20mA。(其它参数见下表)。
0603橙光: 常规波长:600-610nm,电压:1.9-2.2V, 功率0.06w, 电流:20mA。(其它参数见下表)。
0603黄光:常规波长:585-595nm,电压:1.9-2.2V, 功率0.06w, 电流:20mA。(其它参数见下表)。
0603翠绿:常规波长:515-525nm,电压:1.9-2.2V, 功率0.06w, 电流:20mA。(其它参数见下表)。
0603黄绿:常规波长:565-575nm,电压:1.9-2.2V, 功率0.06w, 电流:20mA。(其它参数见下表)。
0603红外灯:常规波长:850nm和940nm,电压:1.3-1.5V, 功率0.06w, 电流:20mA。

0603灯珠型号
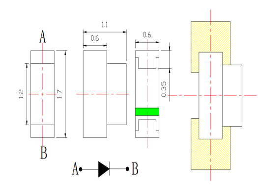
二、0603灯珠型号:(侧发单色&0602侧发光)
0602白光:暖白色温:2800-3200k ,正白光(冷白色温):6000-9000K-15000K以上。(其它详细参数见下表)。
0602红光:常规波长:620-630nm, 电压:1.9-2.2V, 功率0.06w, 电流:20mA。(其它详细参数见下表)。
0602橙光: 常规波长:600-610nm,电压:1.9-2.2V, 功率0.06w, 电流:20mA。(其它详细参数见下表)。
0602黄光:常规波长:585-595nm,电压:1.9-2.2V, 功率0.06w, 电流:20mA。(其它详细参数见下表)。
0602翠绿:常规波长:515-525nm,电压:1.9-2.2V, 功率0.06w, 电流:20mA。(其它详细参数见下表)。
0602黄绿:常规波长:565-575nm,电压:1.9-2.2V, 功率0.06w, 电流:20mA。(其它详细参数见下表)。

0603侧发单色(0602)
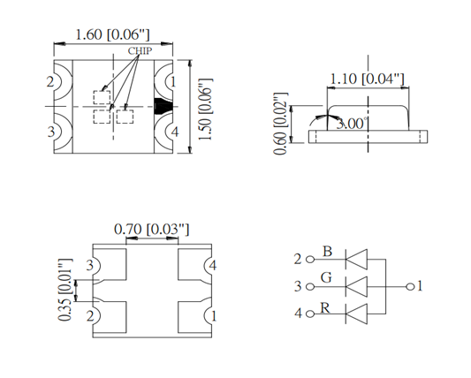
三、0603灯珠灯珠型号(全彩 双色 三色系列)

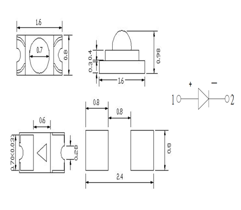
四、0603灯珠灯珠型号(凸头单色系列)

— 3 —
0603灯珠尺寸
0603灯珠尺寸:
一、0603灯珠尺寸:(单色尺寸图)

二、0603灯珠尺寸:(侧发单色&0602侧发光尺寸图)

三、0603灯珠灯珠尺寸:(全彩 双色 三色系列尺寸图)

四、0603灯珠灯珠尺寸:(凸头单色系列尺寸图)

0603灯珠灯珠尺寸:(凸头单色系列尺寸图)
— 4 —
0603灯珠规格
0603灯珠规格:0603灯珠和0201、0402、0805、1206、5730、3528、3014、3535、5050、2835、3030一样,都是贴片LED灯珠。只是0603灯珠是贴片系列LED灯珠中用的比较多的一种小贴片灯珠。
— 5—
0603灯珠功率
0603灯珠功率:0603的灯珠功率是0.06W,和0402灯珠、0805灯珠、1206灯珠等,都是属于小功率的贴片灯珠,常规20mA电源使用,电压根据光色的不同,而有所不同,具体见上表0603灯珠型号图表。
— 6—
0603灯珠规格书

0603灯珠规格书(系列)
0603灯珠_0603灯珠尺寸_0603贴片led参数,规格书一起给你?
以上就是系列的0603灯珠参数、型号、尺寸和电流、角度参度,具体的每款灯珠规格书或咨询在线客服。
最后的话:买灯珠,找台宏,提高选型效率,降低维护成本

台宏光电:专注发光二极管(LED灯珠)研发、生产和销售。
可预约工程师提供灯珠快速选型服务,免费提供样品测试,有效解决您的选型难题!
客服咨询QQ: 2881795059 (微信同号)扫描下方二维码添加好友咨询 (每天限量免费提供10份LED灯珠样品)

